Product Summary
The 57C256F-55DMB is a High Performance 256K UV Erasable Electrically Programmable Read Only Memory. It is manufactured using an advanced CMOS process technology enabling it to operate at speeds as fast as 55 ns Access Time. Two major features of the 57C256F-55DMB are its Low Power and High Speed. While operating in a TTL environment it consumes less than 120 mA while cycling at full speed. Additionally, the 57C256F-55DMB can be placed in a standby mode which drops operating current below 5 mA in a TTL environment and 500 μA in a CMOS environment.
Parametrics
57C256F-55DMB absolute maximum ratings: (1)Storage Temperature: -65℃ to +150℃; (2)Voltage on any Pin with Respect to Ground: -0.6V to +7V; (3)VPP and A9 with Respect to Ground: -0.6V to + 14V; (4)ESD Protection: >2000V.
Features
57C256F-55DMB features: (1)Fast Access Time-55 ns; (2)EPI Processing, Latch-up Immunity Up to 200 mA; (3)Low Power Consumption; (4)Standard EPROM Pinout; (5)DESC SMD No. 5962-86063.
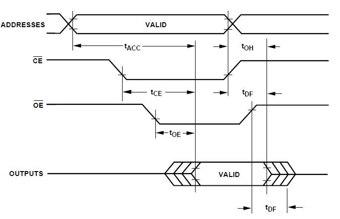
Diagrams

(China (Mainland))






