Product Summary
The FT232BL is a 5 x 5 mm lead free QFN32 package version of the 2nd generation of FTDI’s popular USB UART I.C. This device not only adds extra functionality to its predecessor and reduces external component count, but also maintains a high degree of pin compatibility with the original, making it easy to upgrade or cost reduce existing designs as well as increasing the potential for using the FT232BL in new application areas.
Parametrics
FT232BL absolute maximum ratings: (1)Storage Temperature: -65℃ to +150℃; (2)Floor Life (Out of Bag) at Factory Ambient: 192 Hours; (3)Ambient Temperature (Power Applied): 0℃ to +70℃; (4)M.T.B.F. (at 35℃): 247484 Hours ≈ 28 Years; (5)VCC Supply Voltage: -0.5 to +6.00V; (6)D.C. Input Voltage - USBDP and USBDM: -0.5 to +3.8V; (7)D.C. Input Voltage - High Impedance Bidirectionals: -0.5 to +(Vcc +0.5)V; (8)D.C. Input Voltage - All other Inputs: -0.5 to +(Vcc +0.5)V; (9)DC Output Current - Outputs: 24mA; (10)DC Output Current – Low Impedance Bidirectionals: 24mA; (11)Power Dissipation (VCC = 5.25V): 500mW; (12)Electrostatic Discharge Voltage (Human Body Model) (I < 1uA): ±3000V; (13)Latch Up Current (Vi = +/- 10V maximum, for 10 ms): ±200mA.
Features
FT232BL features: (1)Single Chip USB Asynchronous Serial Data Transfer; (2)Full Handshaking & Modem Interface Signals; (3)UART I/F Supports 7 / 8 Bit Data, 1 / 2 Stop Bits and Odd/Even/Mark/Space/No Parity; (4)Data rate 300 => 3M Baud (TTL); (5)Data rate 300 => 1M Baud (RS232); (6)Data rate 300 => 3M Baud (RS422/RS485); (7)384 Byte Receive Buffer / 128 Byte Transmit Buffer for high data throughput; (8)Adjustable RX buffer timeout; (9)Fully Assisted Hardware or X-On / X-Off Handshaking; (10)In-built support for event characters and line break condition; (11)Auto Transmit Buffer control for RS485; (12)Support for USB Suspend / Resume through SLEEP# and RI# pins; (13)Support for high power USB Bus powered devices through PWREN# pin; (14)Integrated level converter on UART and control signals for interfacing to 5V and 3.3V logic; (15)Integrated 3.3V regulator for USB IO; (16)Integrated Power-On-Reset circuit; (17)Integrated 6MHz ?48Mhz clock multiplier PLL; (18)USB Bulk or Isochronous data transfer modes; (19)4.35V to 5.25V single supply operation; (20)UHCI / OHCI / EHCI host controller compatible; (21)USB 1.1 and USB 2.0 compatible; (22)USB VID, PID, Serial Number and Product Description strings in external EEPROM; (23)EEPROM programmable on-board via USB; (24)Compact 5 x 5 mm Lead free RoHS compliant QFN32 package.
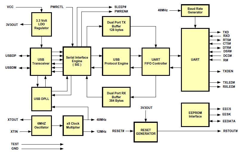
Diagrams

| Image | Part No | Mfg | Description | ![]() |
Pricing (USD) |
Quantity | ||||||||||||
|---|---|---|---|---|---|---|---|---|---|---|---|---|---|---|---|---|---|---|
![]() |
![]() FT232BL |
![]() Other |
![]() |
![]() Data Sheet |
![]() Negotiable |
|
||||||||||||
![]() |
![]() FT232BL-REEL |
![]() FTDI |
![]() USB Interface IC USB to Serial UART IC LQFP-32 |
![]() Data Sheet |
![]()
|
|
||||||||||||
(China (Mainland))










